1. The current I through the circuit I if voltage v = -3V is _______________
a) 0A
b) 3A
c) 1.5A
d) 6A
Explanation: In ideal diode model the diode is considered as a perfect conductor in forward bias and perfect insulator in reverse bias. That is voltage drop at forward bias is zero and current through the diode at reverse bias is zero. Since diode is reverse bias no current will flow through the circuit.
2. If current source I produces a current of 1mA and resistance R=3kΩ, then what is the voltage across the resistor given that diode is ideal?
a) 0V
b) 1V
c) 3V
d) 1.5V
Explanation: In ideal diode model the diode is considered as a perfect conductor in forward bias and perfect insulator in reverse bias. That is voltage drop at forward bias is zero and current through the diode at reverse bias is zero.
Since current forward biases the diode it acts as a conductor so current through resistor is zero so voltage is zero. Therefore, voltage across resistor is zero.
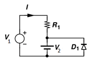
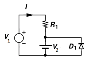
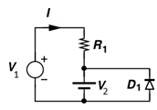
3. If resistance R1 is 10KΩ, V2 = 2V, V1 = 3V and the diode is ideal, then the current I through the circuit will be ___________
a) 0.3mA
b) 0.6mA
c) 0.7mA
d) 0.1mA
Explanation: In ideal diode model the diode is considered as a perfect conductor in forward bias and perfect insulator in reverse bias. That is voltage drop at forward bias is zero and current through the diode at reverse bias is zero.
Since the diode is in reverse bias, it can be considered open and no current flows through it. Then effective voltage becomes 3-2 = 1V so current is 1/10K = 0.1mA.
4. If resistance R1 is 10K, V2 = – 2V, V1 = 3V and the diode is ideal then the current I through the circuit will be _________
a) 0.2mA
b) 0A
c) 0.5mA
d) 0.3mA
Explanation: In ideal diode model the diode is considered as a perfect conductor in forward bias and perfect insulator in reverse bias. That is voltage drop at forward bias is zero and current through the diode at reverse bias is zero.
The voltage V2 forward biases the diode so in effect V2 Vanishes. Also V1 is in reverse bias to the diode so it will not pass through diode. Therefore, effective current will be
(3V/10K) = 0.3mA.
5. What will be the voltage Vout if VA = 3V and VB = -5V and the diodes are ideal?
a) 5V
b) 3V
c) 2V
d) 0V
Explanation: In ideal diode model the diode is considered as a perfect conductor in forward bias and perfect insulator in reverse bias. That is voltage drop at forward bias is zero and current through the diode at reverse bias is zero. Since first diode is in forward bias and second diode is in reverse bias. So Only first diode will pass the current.
6. After cut-in voltage in piecewise linear model diode act as a ___________
a) Resistor
b) Capacitor
c) Conductor
d) Insulator
Explanation: After cut –in voltage diode act as a resistor in piecewise linear mode. In normal operation diode current is exponentially related to voltage.
7. Reverse biased condition of a diode in piecewise linear model is equivalent to __________
a) Resistor
b) Capacitor
c) Conductor
d) Insulator
Explanation: For a diode in reverse bias mode current through the diode is in micro amperes or nano amperes. Hence we can assume it as zero. In piecewise linear model reverse current is assumed to zero. That is, as an insulator.
8. Voltage drop produced by a diode in piecewise linear mode is __________
a) Constant and equal to knee voltage
b) Varies linearly with voltage after knee voltage
c) Varies exponentially with voltage after knee voltage
d) Constant and equal to twice of knee voltage
Explanation: Voltage drop produced by diode in piecewise linear model is not constant. Since it contains effect of resistor, the diode voltage linearly increases as input voltage increases.
9. In the given circuit voltage V = 2V.cut-in voltage of diode is 0.7V. Forward resistance is 10Ω. The current I through the circuit is ____________
(Assume piecewise linear model for diode)
a) 0.235mA
b) 1.29mA
c) 1.63mA
d) 2.27mA
Explanation: Since diode is in forward bias mode it can replaced by the equivalent circuit
I = (V-VD)/R1+RD
= (3-0.7)/1010 = 2.27mA.
10. In the given circuit input voltage Vin is 3V and V2 is 1V. The resistance R1 is 1.5K. Cut-in voltage of diode is 0.5V. Forward bias resistance is 10Ω. The current I will be __________
a) 2.03mA
b) 0.23mA
c) 1.58mA
d) 1.33mA
Explanation: Since both voltage sources are reverse bias to the diode, diode in the circuit disappears and equivalent circuit becomes as follows
So current I = V1-V2/R
= 3-1/1.5k = 1.33mA.