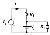
1. In the given circuit input voltage V1 is -3V and V2 is -1V. The resistance R1 is 1K. Cut-in voltage of diode is 0.5V. Forward bias resistance is 10Ω. The approximate current I is _________
(Use piecewise linear model of diode)
a) -1mA
b) -2mA
c) -0.2mA
d) -0.1mA
Explanation: Since both voltage sources are in forward bias to diode, the equivalent circuit will be as follows

Since voltage across diode is 1V. current I = -3+1/1k = -2mA.
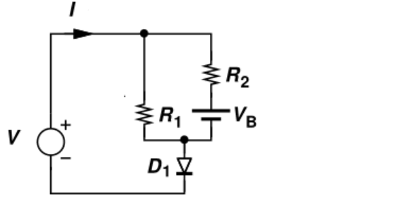
2. In the given circuit input voltage V is 2V and VB is 1V. The resistance R1 and R2 is 1K. Cut-in voltage of diode is 0.5V. Forward bias resistance is 10Ω. The current I will be
(Use piecewise linear model of diode)
a) 0.297mA
b) 0.21mA
c) 0.36mA
d) 0.15mA
Explanation: Since V-VB = 1V forward biases the diode, we can use equivalent circuit of diode as follows

Current through R1, I1 = 1V/R1 = 1mA.
Current through R2, I2 = (1-VD)/(R2¬+RD) = (1-0.7)/1010 = 0.297mA.
3. In the given circuit input voltage V is 3V and VB is 1V. The resistance R1 and R2 is 1K. Cut-in voltage of diode is 0.5V. Forward bias resistance is 10Ω. The current I will be
(Use piecewise linear model of diode)
a) 0.96mA
b) 2.13mA
c) 1.56mA
d) 1.23ma
Explanation: Since diode is in forward bias we can assume equivalent circuit model and assume following circuit

Let voltage across diode is V0 now voltage across branch is V-V0
Current I = (2-V0)/R1 + (2-V0-VB)/R2 = (2-V0)/1000+((1-V0))/1000 …………………….(1)
V0 = VD + IRD = 0.7+10I
Put this value in eq(1)
I = (2-0.7-10I)/1000+((1-0.7-10I))/1000 => 1000I = 1.6 – 20I => 1020 I = 1.6
I = 1.6/1020 = 1.56mA.
4. In the given circuit input voltage V is -3V and VB is 1V. The resistance R1 and R2 is 1K. Cut-in voltage of diode is 0.5V. Forward bias resistance is 10Ω. The current I will be
(Use piecewise linear model of diode)

a) 1.2mA
b) 0mA
c) 0.8mA
d) 1mA
Explanation: If we suppose diode to be forward biased then voltage across R1 is -2.5V and current flows from bottom to top in that link. For source VB current flows the same but then KCL can’t be applied at the top node since all currents are incoming. Hence the diode is reverse biased and is an open circuit. No current flows through it and I=0.
5. In the given circuit input voltage Vin is 3V and VB is 1V. The resistance R is 1K. Cut-in voltage of diode is 0.5V. Forward bias resistance is 10Ω. The current I will be? (Use piecewise linear model of diode)
a) 1V
b) 3V
c) 2.3V
d) 1.3V
Explanation: If we consider diode as a short circuit, the voltage in circuit is thus 3-1=2V and current flows from top to bottom across diode. But that only happens in a reverse bias of the diode. Hence the diode is in reverse bias and open. Output voltage V=3V.
6. In constant voltage drop model diode in forward bias is considered as a ________________
a) Resistor
b) Perfect conductor
c) Perfect insulator
d) Capacitor
Explanation: In constant voltage drop model the diode is considered as a perfect conductor in forward bias and perfect insulator in reverse bias. That is voltage drop at forward bias is zero and current through the diode at reverse bias is zero. In this model at forward bias diode can be replaced as a cell and in reverse bias diode can be avoided by considering the terminals are open.
7. In constant voltage drop diode in reverse bias is considered as a ___________
a) Resistor
b) Perfect conductor
c) Perfect insulator
d) Capacitor
Explanation: In constant voltage drop the diode is considered as a perfect conductor in forward bias and perfect insulator in reverse bias. That is voltage drop at forward bias is zero and current through the diode at reverse bias is zero. In this model at forward bias diode can be replaced as a cell and in reverse bias diode can be avoided by considering the terminals are open.
8. The current I through the circuit if we consider diode in constant voltage drop model is? (Take VD as 0.5V)
a) 2mA
b) 2.5mA
c) 3.5mA
d) 1mA
Explanation: In constant voltage drop model at forward bias diode can be replaced as a cell and in reverse bias diode can be avoided by considering the terminals are open.
Since D1 is in forward biased there will be a voltage drop of 0.5V. So net voltage will be 2.5V and hence current is 2.5mA.
9. The voltage across the diode Vout if Vin is -5V and resistance is 10K is? (Use constant voltage drop model of diode and take VD as 0.5V)
a) -3V
b) 0V
c) -5V
d) -2.5V
Explanation: In constant voltage drop model at forward bias diode can be replaced as a cell and in reverse bias diode can be avoided by considering the terminals are open.
Since diode is reverse biased entire voltage will appear across diode.
10. The voltage across the diode Vout if Vin is 5V and resistance is 10K is? (Use constant voltage drop model of diode and take VD as 0.5V)
a) 5V
b) 0.5V
c) 2.5V
d) 0V
Explanation: In constant voltage drop model at forward bias diode can be replaced as a cell and in reverse bias diode can be avoided by considering the terminals are open.
Since diode is forward biased and potential is greater than VD voltage across diode is VD.